○東彼杵町介護保険料滞納者に対する給付制限等に係る事務取扱要領
平成25年2月20日
告示第10号
(目的)
第1条 この要領は、東彼杵町の介護保険料(以下「保険料」という。)を滞納している被保険者に対して、介護保険法(平成9年法律第123号。以下「法」という。)第66条から第69条までに規定する保険給付の制限を行うことによって、被保険者の負担の公平を図るとともに、未納保険料の収入を確保し、もって介護保険事業の健全な運営に資することを目的とする。
(定義)
第2条 この要領において「支払方法の変更」とは、法第66条の規定による保険料を滞納している第1号被保険者に係る保険給付の支払方法変更の処分をいう。
2 この要領において「納期限」とは、東彼杵町介護保険条例(平成12年条例第25号。以下「条例」という。)第3条に規定する納期限をいう。
3 この要領において「滞納保険料」とは、第1号被保険者に係る保険料について、納期限を経過して未払である保険料をいう。
4 この要領において「保険料徴収権時効」とは、法第200条の規定により、保険料を徴収する権利が時効によって消滅することをいう。
5 この要領において「支払一時差止」とは、法第67条第1項及び第2項の規定による保険料を滞納している第1号被保険者に係る保険給付の支払の一時差止の処分をいう。
6 この要領において「控除」とは、法第67条第3項の規定による保険料を滞納している第1号被保険者に係る支払一時差止をした保険給付額から当該被保険者が滞納している保険料額を控除する処分をいう。
7 この要領において「給付額減額等」とは、法第69条に規定する処分をいう。
8 この要領において「支払一時差止等」とは、法第68条の規定による医療保険各法の規定による保険料等に未納がある第2号被保険者に係る保険給付の支払の一時差止の処分をいう。
(保険料滞納者に係る支払方法の変更)
第3条 町長は、第1号被保険者から要介護又は要支援認定(以下「要介護認定等」という。)の申請があったときは、直ちに当該被保険者に係る保険料の納付について調査し、当該申請に係る認定結果を被保険者証に記載する日において納期限から1年が経過した滞納保険料があった場合、法第66条及び介護保険法施行規則(平成11年厚生省令第36号。以下「省令」という。)第101条の規定に基づき、あらかじめ当該被保険者に介護保険給付の支払方法変更(償還払い化)予告通知書(様式第1号)を交付するものとする。
4 前項に規定する支払方法変更の記載の対象となる第1号被保険者については、認定の有効期間の延長を行わないことができる。
5 支払方法の変更の適用の開始日は、原則として要介護認定等が行われる日の属する月の翌月の初日とする。ただし、要介護認定等が更新認定の有効期間の開始日の属する月の前々月に行われる場合は、支払方法の変更の適用の開始日を新たな更新認定の有効期間の開始日と同一の日とする。
(1) 法第66条第1項に規定する原子爆弾被爆者に対する援護に関する法律(平成6年法律第117号)による一般疾病医療費の支給を受けることができる場合及び省令第98条各号に規定する医療に関する給付を受けることができる場合とは、支払方法の変更を受ける期間に支給又は給付を受けることができる場合とする。
(2) 介護保険法施行令(平成10年政令第412号。以下「政令」という。)第30条第1号に規定する住宅、家財又はその他の財産について著しい損害を受けた場合とは、故意に災害を発生させた場合を除き、支払方法の変更の開始日の属する月の前6箇月以内に3割以上の損失を受けた場合とする。この場合における損失の程度の判定は、罹災者名簿等で確認できる場合を除き、原則として、消防署長等所轄の関係官公署の長の発行する証明書により行う。
(3) 政令第30条第2号に規定する収入が著しく減少した場合とは、当該被保険者の属する世帯の生計を主として維持する者(以下「生計維持者」という。)の支払方法の変更の開始日の属する年の見込み総所得金額が前年の総所得金額の10分の7未満に減少し、かつ、当該被保険者の属する世帯の実収入見込み月額が、その世帯につき算定した生活保護法(昭和25年法律第144号)に規定する基準生活費(第Ⅰ類、第Ⅱ類及び障害者加算を合算した額)に100分の115を乗じて得た額に満たない場合とする。
(4) 省令第100条第1号及び第2号に規定する収入が著しく減少した場合については、前号の規定を準用する。
(5) 省令第100条第3号に規定する被保険者が被保護者である場合とは、生活保護法による生活保護開始決定が行われている場合とする。
(6) 条例第10条第1項第1号から第4号までに該当することにより保険料の徴収猶予を受けている場合又は条例第11条第1項第1号から第4号までに該当することにより保険料の減免を受けている場合であって、支払方法の変更の開始日以降においても保険料の徴収猶予又は減免を受けることができる場合については、第2号、第3号及び第4号に該当するものとみなす。
(支払方法の変更の終了)
第5条 支払方法の変更の適用を受けている者が終了を求める場合は、介護保険支払方法変更(償還払い)終了申請書(様式第4号)を町長に提出するものとする。
3 町長は、前項に該当することが町の保有する台帳等で確認できた場合は、被保険者からの申請がなくとも、被保険者証から支払方法変更の記載を消除できるものとする。
4 支払方法の変更の終了は、被保険者証から支払方法変更の記載を消除した日から効力を生ずる。
(滞納額の著しい減少)
第6条 法第66条第3項に規定する滞納額の著しい減少とは、第3条第1項の規定により支払方法の変更の処分原因となった滞納保険料から終了申請日において保険料徴収権時効となった滞納保険料を除いた滞納保険料の7割以上を納付した場合とする。
(保険給付の支払一時差止)
第7条 町長は、被保険者証に支払方法変更の記載を受けている第1号被保険者から償還払いの給付申請があったときは、直ちに当該被保険者に係る保険料の納付状況について調査し、当該申請のあった日において納期限から1年6箇月が経過する滞納保険料があった場合、介護保険給付の支払一時差止通知書(様式第7号)を交付する。
2 町長は、前項に規定する通知書を交付したときは、直ちに当該被保険者に対し滞納保険料の納付について催告を行うものとする。
4 町長は、支払一時差止に係る保険給付の額から滞納保険料を控除したときは、介護保険給付の支払方法変更(償還払い)終了通知書及び支払方法変更の記載を消除した被保険者証を交付するものとする。
5 第5条第4項の規定は、保険給付の支払一時差止の終了の発効日について準用する。
(保険料を徴収する権利が消滅した場合の保険給付の特例)
第8条 町長は、第1号被保険者から要介護認定等の申請があったときは、直ちに当該被保険者に係る保険料徴収権消滅期間について調査し、当該申請に係る認定がされる日を基準として政令第33条及び第34条並びに省令第111条の規定に基づき算出した給付額減額期間が1箇月以上あった場合は、要介護認定等の通知の際に介護保険給付額減額通知書(様式第9号)及び給付額減額等の記載をした被保険者証を交付する。
2 第3条第5項の規定は、給付額減額等の適用の開始日について準用する。
(給付額減額等の処分の終了)
第9条 給付額減額等の適用を受けている者が終了を求める場合は、介護保険給付額減額免除申請書(様式第10号)を町長に提出するものとする。
3 第5条第4項の規定は、給付額減額等の終了の発効日について準用する。
(1) 政令第35条第1号に規定する住宅、家財又はその他の財産について著しい損害を受けた場合の基準については、第4条第2号の規定を準用する。
(2) 政令第35条第2号に規定する収入が著しく減少した場合の基準については、第4条第3号の規定を準用する。
(3) 省令第113条第1号及び第2号に規定する収入が著しく減少した場合の基準については、第4条第3号の規定を準用する。
(4) 給付額減額等の開始日以降において、条例第10条第1項第1号から第4号までに該当することにより保険料の徴収猶予を受けることとなった場合又は条例第11条第1項第1号から第4号までに該当することにより保険料の減免を受けることとなった場合については、前3号に該当するものとみなす。
(第2号被保険者の保険給付の支払一時差止等)
第11条 町長は、法第68条第5項又は省令第110条の規定により、第2号被保険者から要介護認定等の申請があったときは、直ちに当該被保険者の加入している医療保険者を把握し、当該医療保険者に対し介護保険要介護認定等申請受理通知書(様式第13号)を送付する。
6 第3条第5項の規定は、保険給付の支払一時差止等の適用の開始日について準用する。
(支払一時差止等の処分の終了)
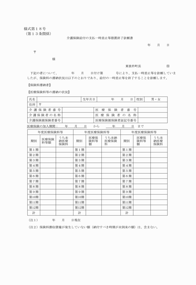
第13条 保険給付の支払一時差止等の適用を受けている者が終了を求める場合は、介護保険給付の支払一時差止め等終了申請書(様式第17号)を町長に提出するものとする。
2 町長は、前項に規定する申請があった場合は、必要に応じ医療保険者と協議を行うものとする。
5 第5条第4項の規定は、保険給付の支払一時差止等の終了する日について準用する。
(補則)
第14条 この要領に定めるもののほか、必要な事項は、町長が別に定める。
附則
この要領は、平成25年3月1日から施行する。
附則(平成28年4月1日告示第37号)
この告示は、平成28年4月1日から施行する。
附則(令和3年5月26日告示第62号)
この告示は、公布の日から施行する。



























